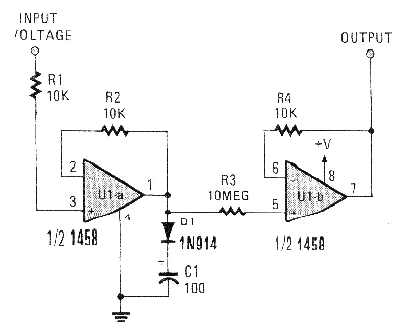
Este circuito es de una Popular Electronics de 1993. La revista ya no se imprime, pero el circuito se puede implementar con cualquier comparador o incluso amplificador operacional. Los diodos pueden ser 1N4148 también y la fuente de alimentación no necesita ser simétrica. El MC1458 es un doble 741.




