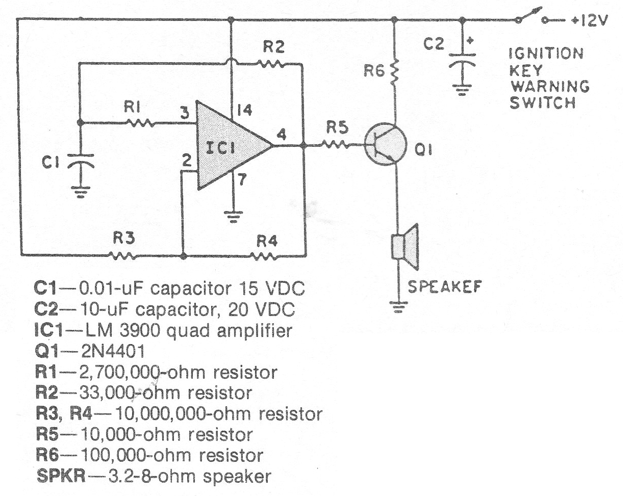
Este circuito es de una publicación americana de 1987 llamada Electronics Handbook. El circuito se puede montar fácilmente, ya que todos los componentes son comunes. El transistor puede ser el BD135. El circuito emite un sonido cuando se utiliza la clave de contacto o cuando se intenta una conexión directa.




