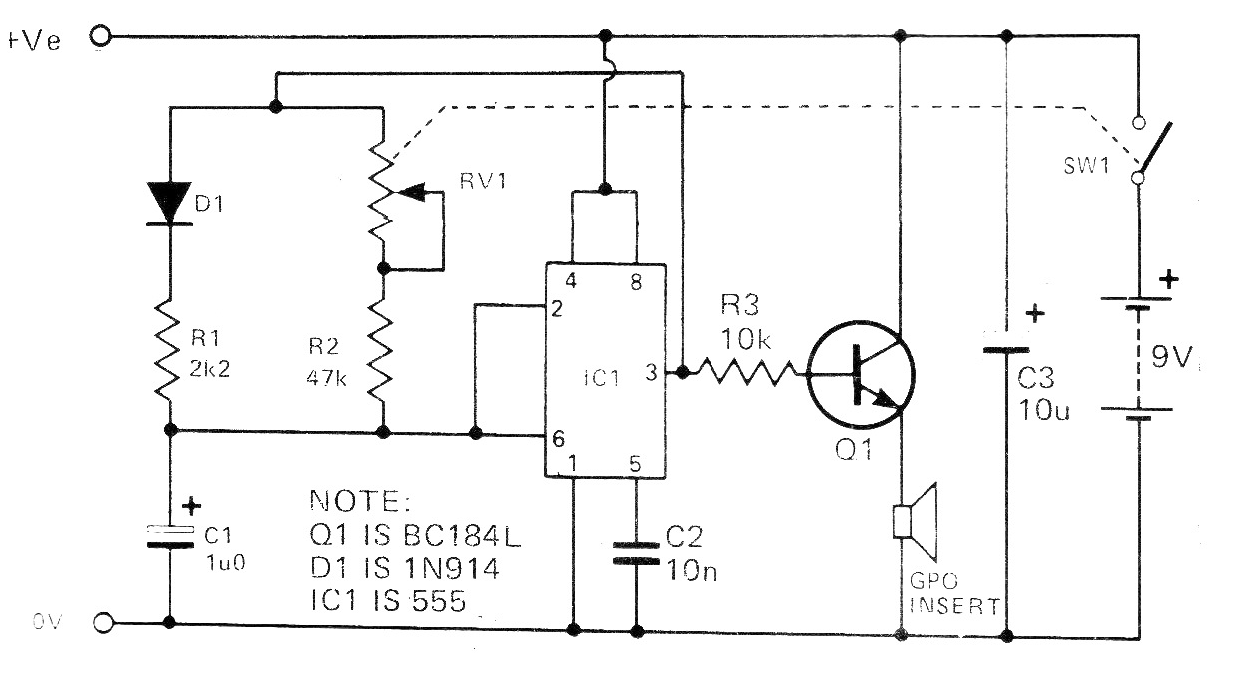
Este circuito fue obtenido en una revista inglesa de 1978. Podemos fácilmente montarlo porque todos los componentes son comunes. El transistor puede ser un BC548 para alimentación de hasta 6 V y BD135 para alimentación superior a 6 V hasta 12 V.

 

Metrónomo
Metrónomo | Haga click en la imagen para ampliar |