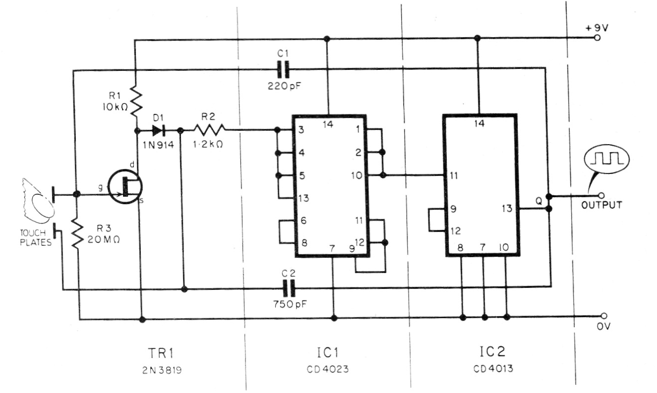
Este circuito fue encontrado en una revista inglesa de 1978, pero puede ser montado con facilidad, pues todos los componentes son comunes. El FET puede ser el BF245. Para los valores indicados de los componentes, el circuito produce pulsos de 0,5 Hz, pero ese valor puede ser modificado con el cambio de los capacitores. El circuito es CMOS y no debe ser alimentado por fuente sin transformador.




