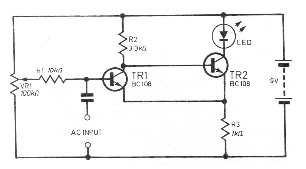
Este circuito fue publicado en una revista inglesa de 1972, pero se puede implementar fácilmente con el uso de los transistores BC548. El circuito produce una señal rectangular en el LED a partir de las señales AC de entrada. El LED puede ser cambiado por una resistencia de 1 k y la señal extraída de ese punto.




