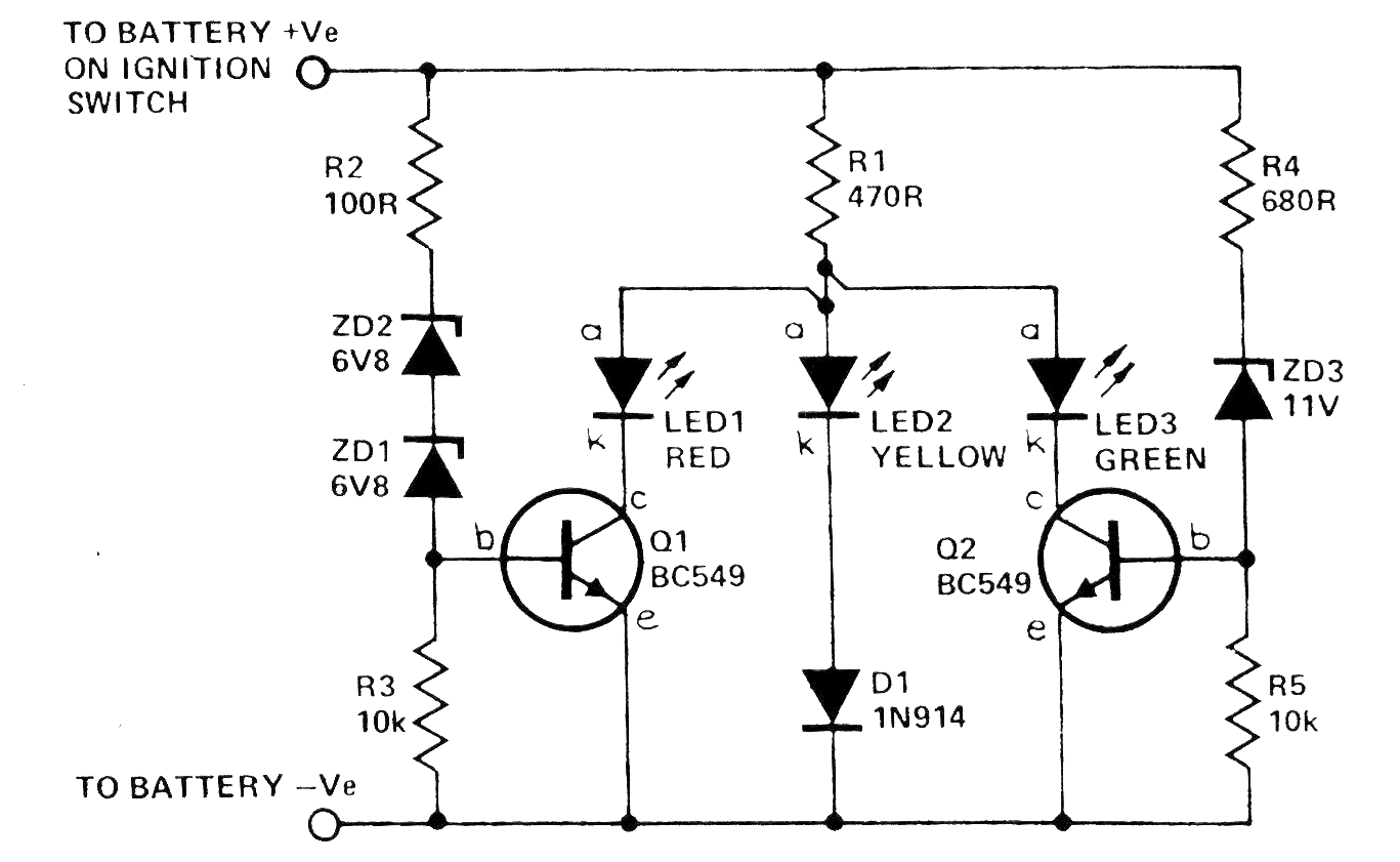
Este circuito fue obtenido de una publicación inglesa de 1979, pero se puede montar fácilmente con transistores BC548 o BC549. El circuito indica en tres LED el nivel de carga de la batería de 12 V del coche.

 

Indicador de batería para el coche
Indicador de batería para el coche | Haga click en la imagen para ampliar |