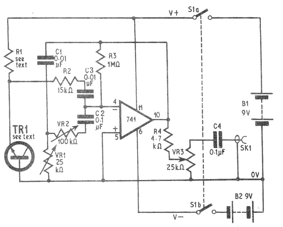
Este circuito fue encontrado en una revista inglesa de 1973. Se trata de un generador de ruido blanco fácilmente implementado, pues TR1 puede ser cualquier NPN de uso general como el BC58 y la salida aplicada a la entrada de cualquier amplificador. El circuito genera el sonido del viento o de la lluvia. La alimentación debe ser hecha por una fuente simétrica o dos baterías de 9 V.




