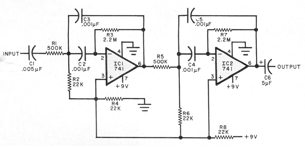
Este circuito fue encontrado en un Electronics Experimenters Handbook de 1983, pero se puede montar fácilmente, ya que los circuitos integrados utilizados son los 741. La alimentación no tiene que ser simétrica y cómo el consumo es bajo puede ser una batería. Este circuito está indicado para ser colocado en receptores en los que la señal recibida tiene muchos ruidos. El circuito también se puede utilizar para recuperar información grabada en lugares ruidosos con grabadores de cinta.




