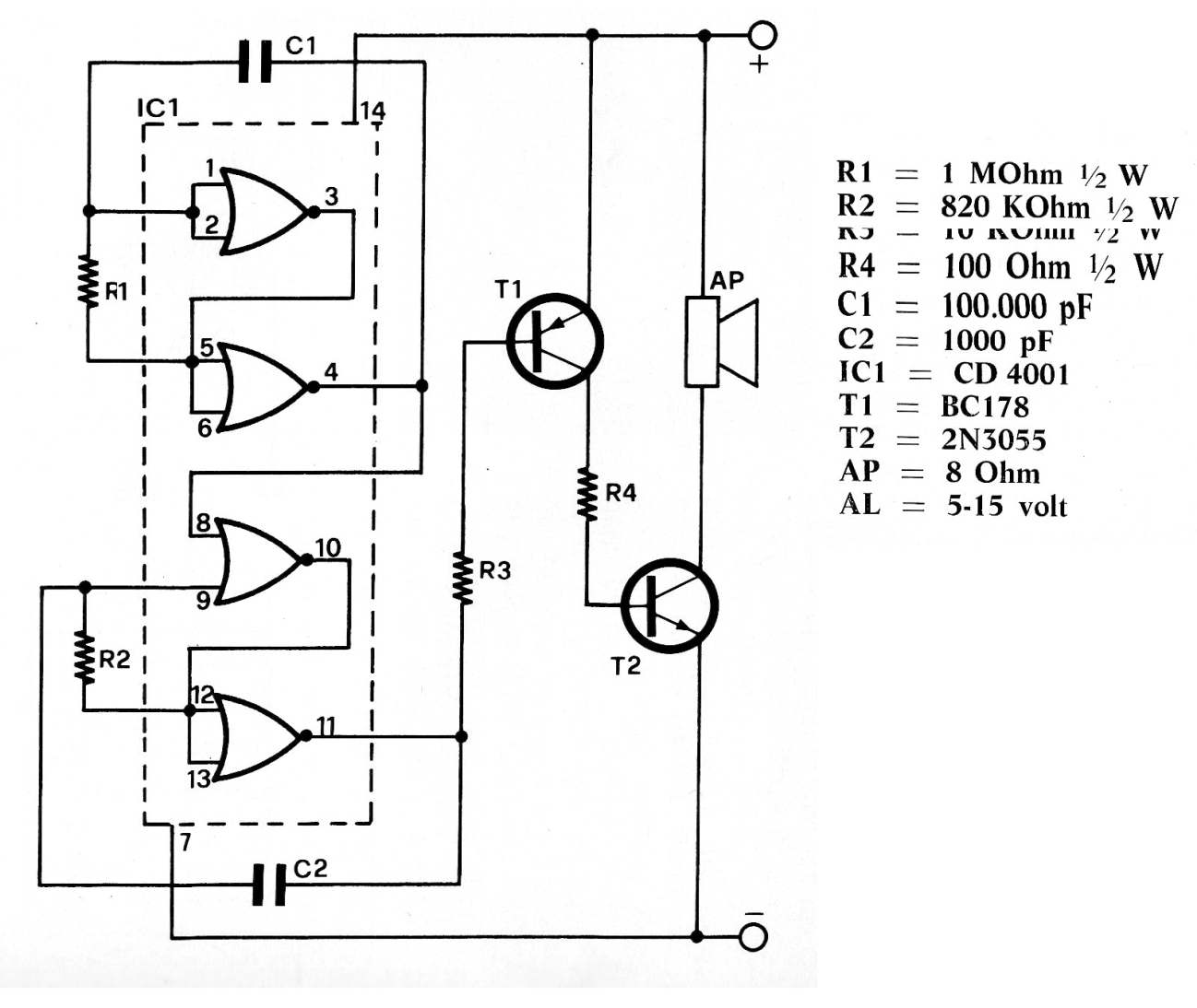
Este circuito fue encontrado en la revista italiana Radio Elettronica de septiembre de 1977. Se compone de una sirena modulada con una etapa de potencia. T1 puede ser un BC558 o BD136 y T2 debe montarse en un buen radiador de calor. La alimentación se puede hacer con tensiones de 5 a 15 V. R3 es de 10k.




