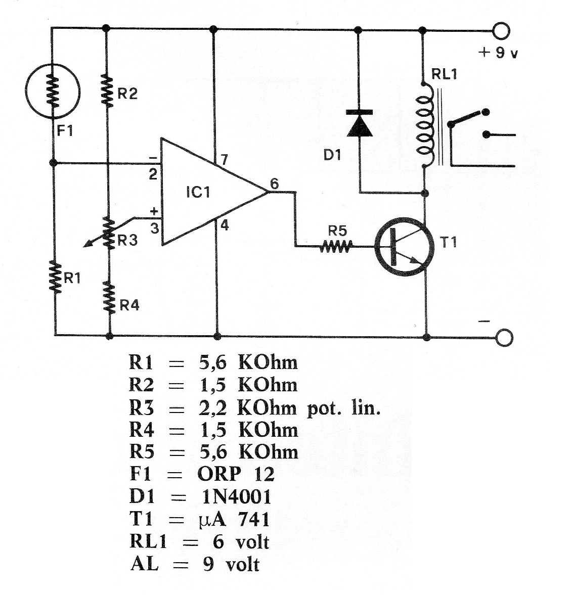
Este circuito fue encontrado en la revista italiana Radio Elettronica de septiembre de 1977. Con él es posible activar un relé cuando la luz incide en el sensor. El punto de disparo se ajusta en el relé. El transistor puede ser el BC58 y la alimentación debe ser de 6 a 12 V según el relé. IC1 es un 741 y no T1 como salió en la lista de materiales de la publicación original.




