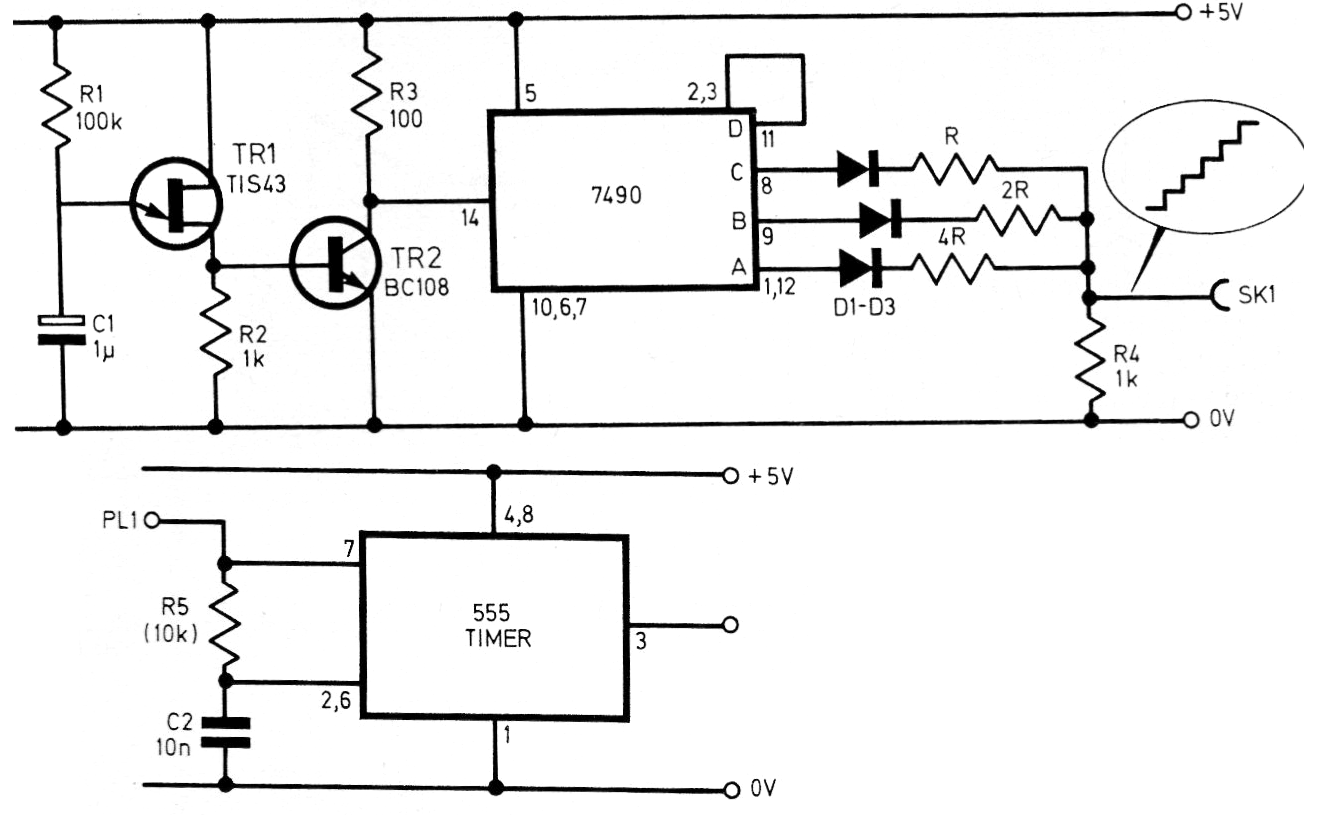
Este circuito fue encontrado en una revista inglesa de 1980. Este circuito genera una señal en forma de escalera con escalones determinados por los resistores. Un circuito de reloj con el 555 se da junto con la configuración original, pero puede ser controlado por circuitos externos. La alimentación debe realizarse con tensión de 5 V.




