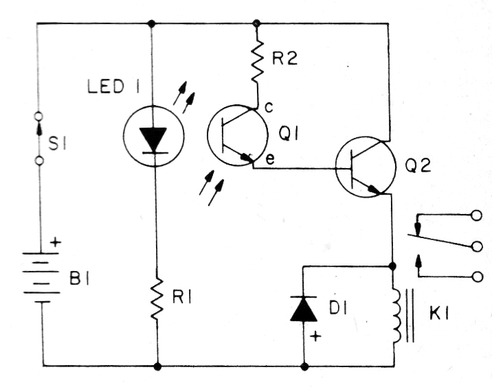
Este circuito se obtuvo en la publicación 101 Electronics Projects de 1979. El circuito se puede montar fácilmente, ya que todos los componentes son comunes. Cuando la luz del LED que incide en el foto-transistor es establecida, por la retirada de un objeto que existe entre ellos, el relé cierra sus contactos. El relé puede ser de 6 o 12 V según la alimentación, el foto-transistor de cualquier tipo y Q2 un BC548.




