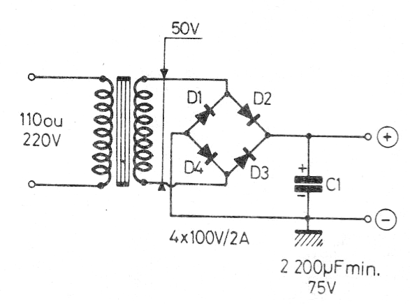
Este circuito fue obtenido en una revista francesa Eletronique Practique de noviembre de 76. Se trata de la fuente para el amplificador de 50 W con el SI-1050G de 66 V. El transformador tiene 50 V de secundario con una corriente de 2 A.

Fuente de 66 V para Módulo Híbrido



