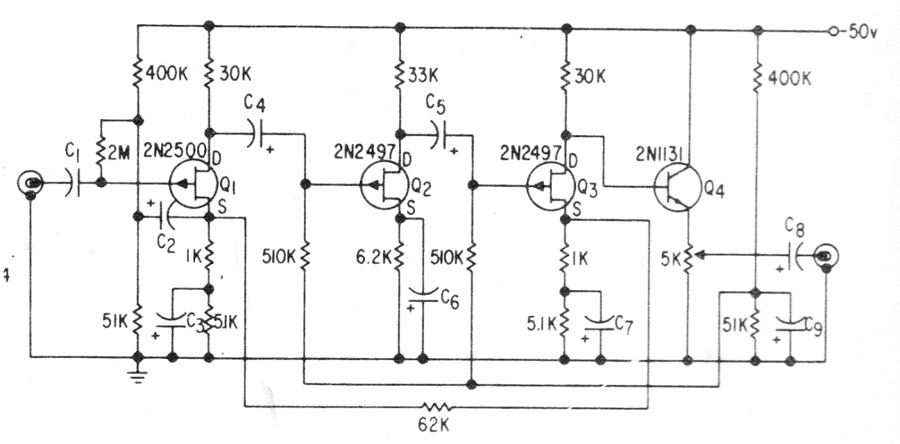
Este interesante circuito fue encontrado en una revista Argentina Radio Chassis Television de marzo de 1974. La revista ya no existe, pero el circuito todavía puede ser montado con transistores equivalentes como los BF245 para los FET y BC548 para el bipolar. El circuito es alimentado por fuente de 50 V, pero su consumo es extremadamente bajo. Se pueden utilizar valores comerciales de componentes cercanos a los indicados.





