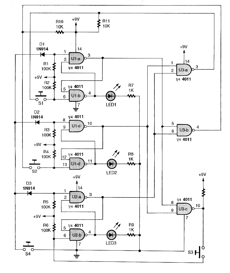
Este circuito se obtuvo en una Popular Electronics de 1994. La revista ya no existe en su versión impresa, pero el circuito se puede montar fácilmente, ya que los componentes son comunes. Esta versión con circuitos integrados CMOS es para Tres jugadores y acciona indicadores LED. La alimentación de 9 V puede ser hecha con batería, pues el consumo es bajo.




