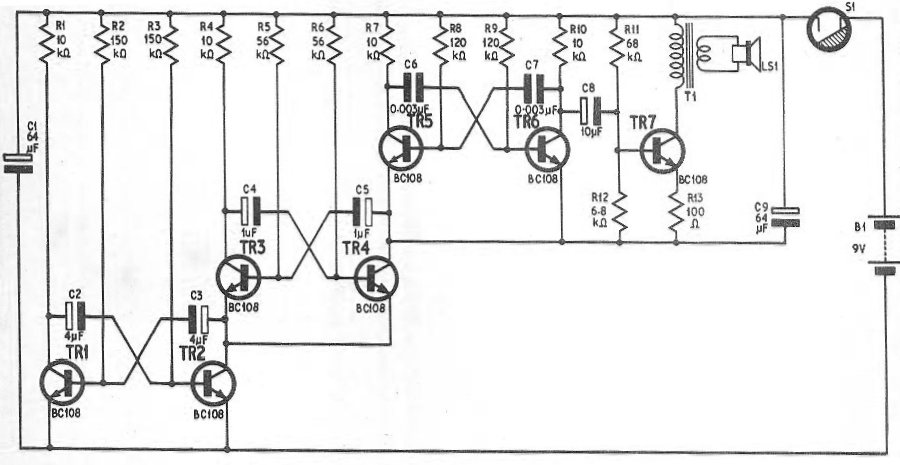
Hemos descubierto este circuito en una revista inglesa que ya no existe. La revista es de diciembre de 1972, pero el circuito puede todavía ser montado con facilidad bastando intercambiar todos los transistores por los BC548. El transformador T1 se puede obtener en la salida de audio de una vieja radio transistorizada. S1 es un interruptor de mercurio que se conecta cuando el búho se inclina.




