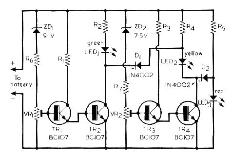
Este circuito fue encontrado en una revista inglesa Radio & Electronics Constructor de febrero de 1977. La revista ya no existe, pero el circuito puede ser montado con facilidad, cambiando los BC108 por BC548. El circuito indica el estado de la batería del coche en tres bandas de tensión a través de LED de tres colores. Bajo, bueno y sobrecarga.




