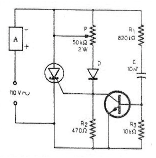
Este circuito de control AC con SCR tiene un rango dinámico diferente, dado por el transistor. El circuito es de una revista de 1967, pero aún puede ser montado con facilidad utilizando transistores BC558 y para el SCR el TIC106 de acuerdo con la tensión de la red. El potenciómetro debe ser de hilo. El diodo puede ser el 1N4004.




