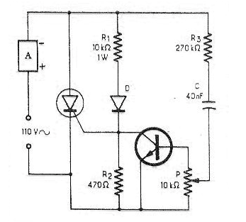
Este circuito de control de potencia diferente con SCR fue obtenido en una revista de 1967. El SCR puede ser el TIC106 y el transistor el BC135. El control es hecho por un potenciómetro de 10 k de baja disipación. El diodo puede ser el 1N4004.

Este circuito de control de potencia diferente con SCR fue obtenido en una revista de 1967. El SCR puede ser el TIC106 y el transistor el BC135. El control es hecho por un potenciómetro de 10 k de baja disipación. El diodo puede ser el 1N4004.
