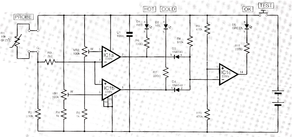
Este circuito fue obtenido en una revista de 1997 pero todavía es actual, pues todos los componentes utilizados todavía son comunes. Ajustando los dos trimpots él indicará cuando la temperatura salga de la banda controlada. El sensor es un termistor y los indicadores son LED Cuando la temperatura está en el rango ajustado, se enciende el LED OK. R1 debe tener el mismo orden de valor que el termistor utilizado, en el rango de 1k a 100k.




