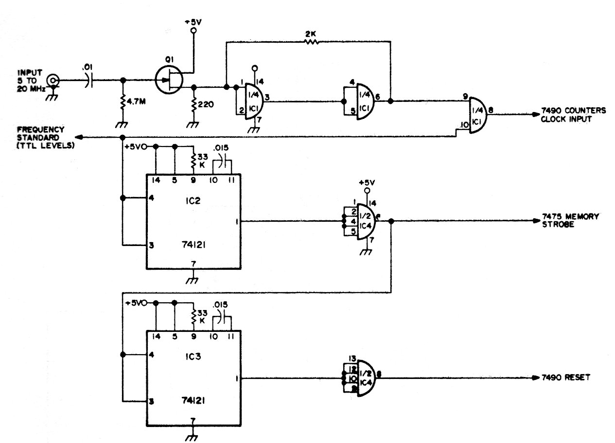
Encontramos este circuito en una documentación de los años 80. Se trata de una etapa de entrada para frecuencímetro digital. El circuito puede funcionar con señales de hasta algunas decenas de megahertz.
Una lámpara neón polarizada cerca del punto de disparo se convierte en un sensible detector de...
Aumente la intensidad del sonido de su bocina piezoeléctrica con el circuito que presentamos. Este oscilador...
El circuito mostrado en la figura 1 proporciona una corriente constante (IL) para dos o más LEDs con...