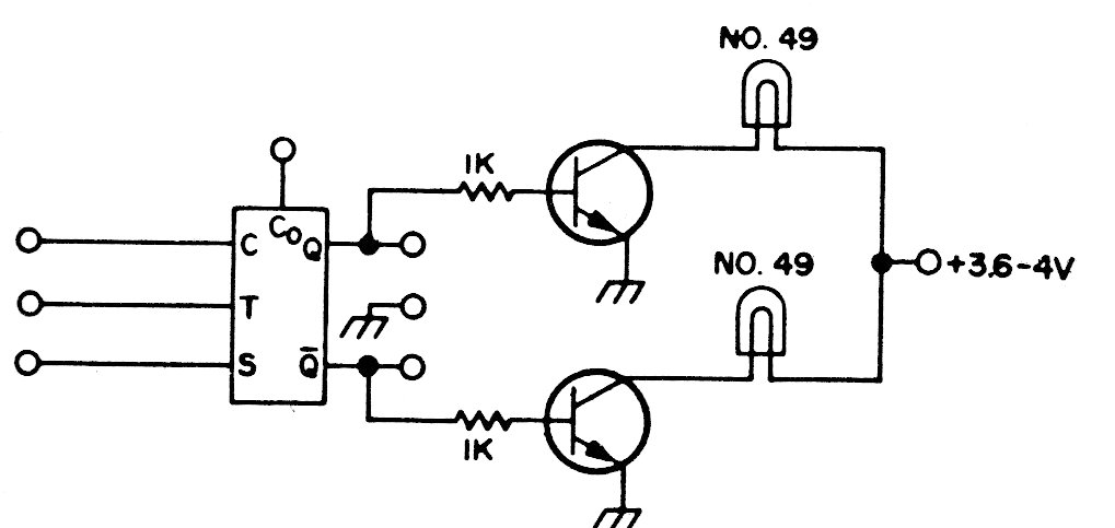
Este circuito antiguo excita lámparas, pero puede ser modificado para excitar LED de alta potencia u otras cargas según el transistor usado. La alimentación de la etapa de potencia también puede ser cambiada permitiendo el uso del circuito como shield.




