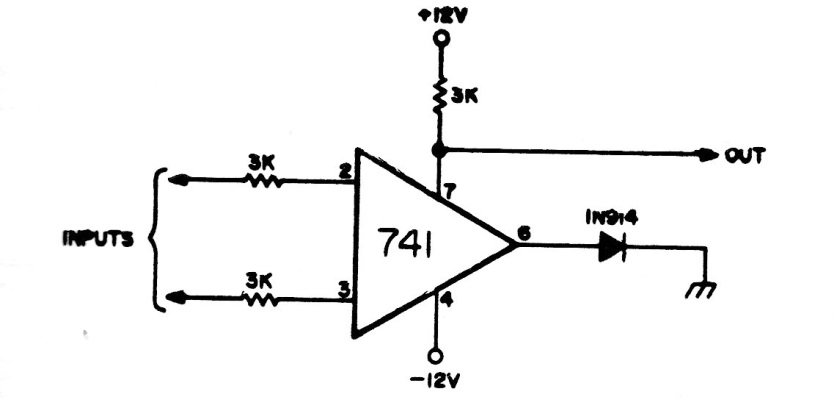
Este circuito de una documentación de los años 80, hace uso de un 741 en una configuración diferente de comparador de alta velocidad. La alimentación debe ser simétrica. El diodo es de uso general.
Encontramos este circuito en una documentación estadounidense de los años 80. El amplificador...
El circuito presentado se encontró en el Manual de Aplicaciones Lineales de National Semiconductor de 1994....
Este circuito se puede usar para generar señales de 300 kHz a 10 MHz, dependiendo del cristal...