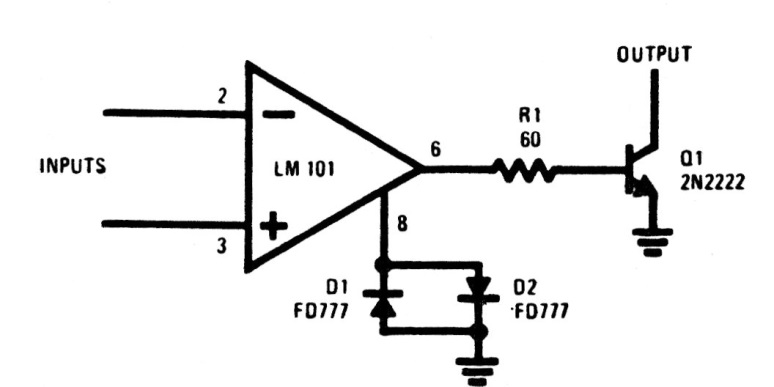
Este tipo de lógica ya no se utiliza actualmente. El circuito es de una antigua publicación americana y el circuito integrado poco común actualmente. Los diodos son de uso general.
Este amplificador de guitarra a transistores apareció en la revista Radio Electronics en noviembre de...
Este circuito de Texas Instruments de 1968 usa diacs de la época. Los SCR pueden ser equivalentes...
El Variable Frequency Oscillator (VFO) o el oscilador de frecuencia variable que se muestra en la...