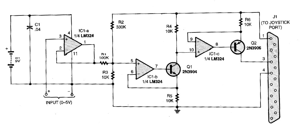
Este circuito se obtuvo en un Poptronics de enero de 2000. Esta revista americana ya no existe, pero el circuito se puede montar fácilmente con los transistores BC548 en lugar de dos originales. El circuito hace uso de la puerta de joystick de un PC antiguo.




