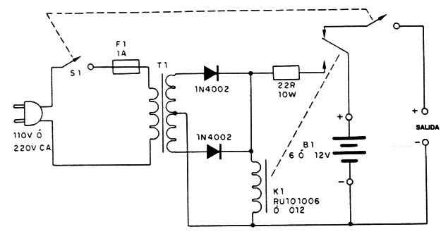
Una batería de auto de 6 o 12V se mantiene en forma permanente en carga lenta. Al faltar energía, se acciona un relé que hace que la bateria alimente un sistema de luces de emergencia. El relé de 6 o 12V según la bateria, y el transformador es de 6 ó 12V según El caso, con corriente de 200 o 500 mA.




