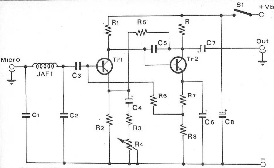
Este circuito fue obtenido en la revista italiana Radio Elettronica de agosto de 1974. La revista ya no existe, pero el circuito puede ser montado incluso en nuestros días con transistores BC548. La alimentación viene de fuente o batería, ya que el consumo del circuito es muy bajo.




