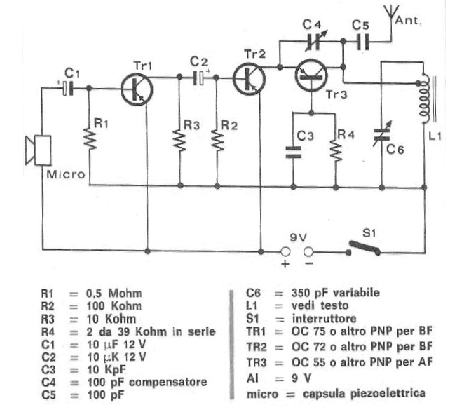
Este circuito fue obtenido en la revista italiana Radio Elettronica de agosto de 1974. La revista ya no existe, pero el circuito puede ser montado incluso en nuestros días con transistores equivalentes como los BC548 paraTR1 y TR2 y BD136 para TR3. L1 está formada por 60 + 20 espiras de hilo 28 en un bastón de ferrita. Los cambios en los resistores de polarización pueden ser necesarios para un mejor rendimiento.




