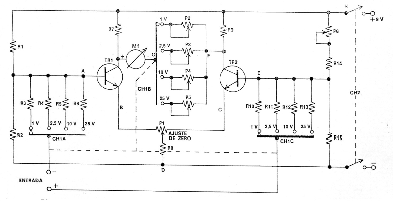
Encontrei este circuito número de publicación de 1971. La publicación no es más disponible, más el circuito se puede montar con el BC548 en el lugar del original. Se trata de un voltímetro con varias escalas y una gran sensibilidad, empregando un indicador de bobina.





