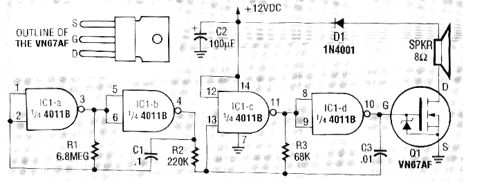
Este circuito fue encontrado en una revista Hands On de 1986. La revista ya no existe pero el circuito es viable aún en nuestros días. Se trata de una sirena de dos tonos con MOSFET de potencia en la salida. En lugar del tipo original se puede utilizar cualquier FET de la serie IRF montado en disipador de calor. El circuito puede ser alimentado con tensiones de 9 a 12 V y tiene excelente potencia de salida. R1 y R3 pueden ser cambiados para modificar los efectos obtenidos.




