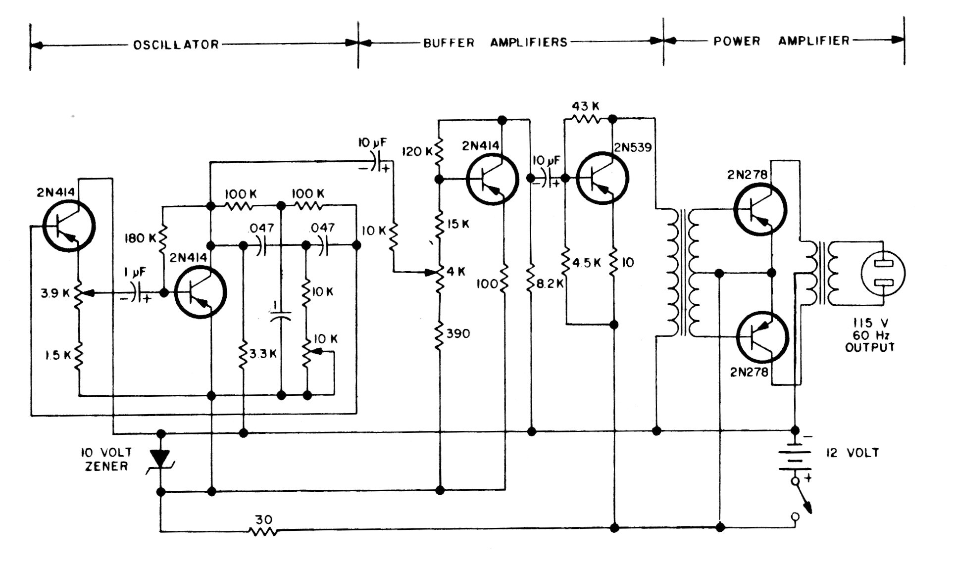
Este sofisticado circuito es de una documentación de 1975. Los componentes son de la época y también son componentes críticos en el diseño de los transformadores. El circuito opera con una corriente de al menos 12 A de entrada en batería de 12 V, descontando su rendimiento.




