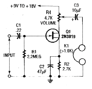
Este simple amplificador con JFET fue obtenido en una revista Electronics Now de abril de 1993. La revista ya no existe, pero el circuito es actual, ya que funciona con prácticamente cualquier FET de unión como el MPF102, BF245, etc. El circuito tiene un consumo muy bajo pudiendo ser alimentado por tensiones de 9 a 18 V. El auricular usado debe ser de 1 k ohms o más.




