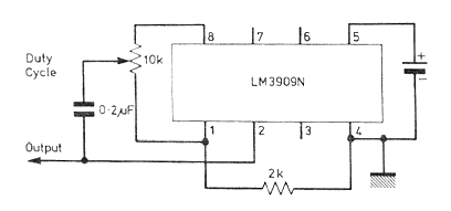
Este circuito salió en una Practical Wireless de noviembre de 1978, pero es actual, sólo por el circuito integrado que no es muy fácil de encontrar. Lo que este circuito hace es producir una señal rectangular de baja frecuencia, presentando un consumo extremadamente bajo. El circuito puede ser alimentado con tensiones a partir de 1,2 V.




