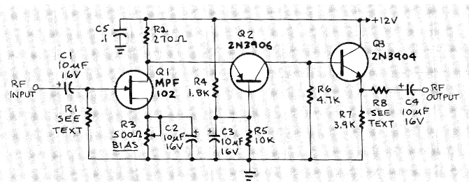
El circuito presentado fue encontrado en una radio electrónica de marzo de 1987. El circuito consiste en un amplificador de señales para el rango de ondas medias. Intercalado entre la antena y el receptor aumenta la intensidad de las señales, El FET puede ser el BF245, Q2 un BC558 y Q3 un BC548. El circuito tiene un consumo muy bajo y es alimentado por una tensión de 12 V. Pero atención, si las señales son muy débil a punto de ser encubiertas por los ruidos, el circuito también amplificará los ruidos .




