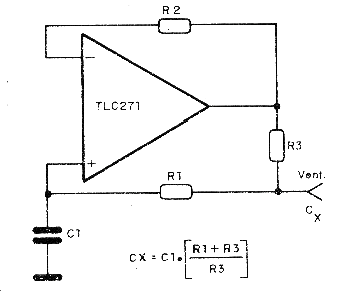
Este circuito consiste en un multiplicador virtual de capacitancia. La detectada por el circuito de carga depende de los valores de los resistores y del capacitor. El amplificador operacional utilizado es de altísima impedancia de entrada (FET) y debe ser alimentado por una fuente simétrica. Las fórmulas para calcular la capacitancia presentada por el circuito se dan junto al diagrama.




