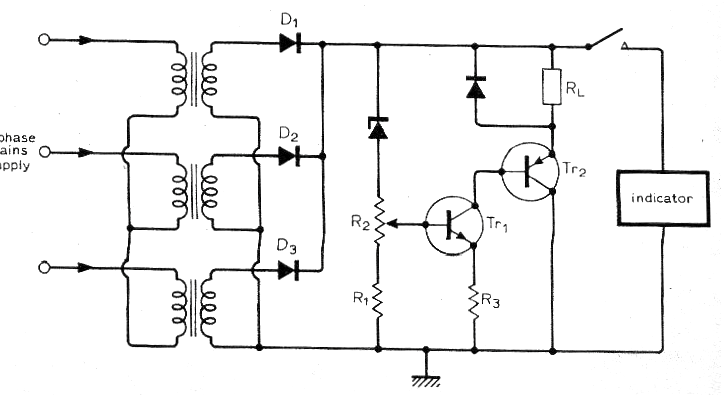
Este circuito fue encontrado en la revista inglesa Wireless World, una edición de agosto de 1976. El circuito puede todavía ser montado con facilidad, pues los componentes utilizados son comunes. Lo que este circuito hace es accionar el relé cuando la falta de una fase produce una caída en la tensión de polarización del circuito. El zener debe ser elegido de acuerdo con la tensión de los secundarios del transformador entre 6 y 12 V y los diodos rectificadores son de uso general. Los transistores pueden ser los BC548 y BD558.




