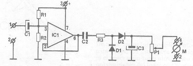
Este circuito fue encontrado en una vieja revista Resistor de 1981. La revista española ya no existe, pero tiene circuitos interesantes como éste, que puede ser montado con facilidad. Se trata de un indicador analógico de nivel de señal tipo VU meter con amplificador operacional. El circuito no necesita una fuente simétrica. El indicador puede ser un microamperímetro de 200 uA. La alimentación se realiza con tensiones de 9 a 12 V.





