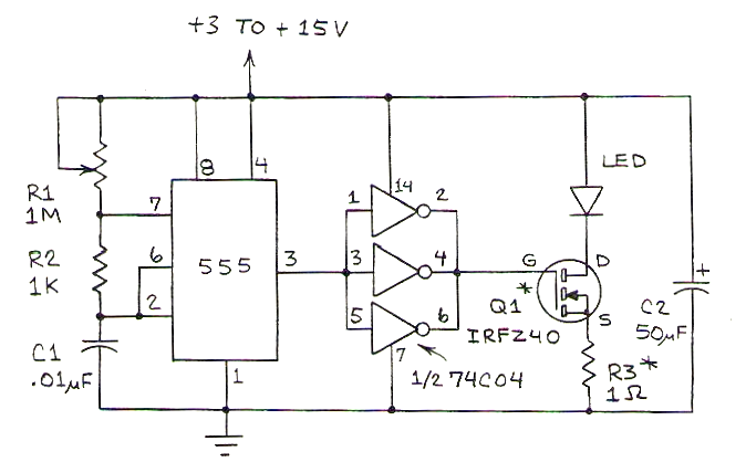
Este circuito es de la revista americana que ya no existe Modern Electronics de julio de1990. Se trata de un pulsador que puede ser implementado con facilidad con componentes comunes. El MOSFET puede ser de cualquier tipo a 500 mA o más. La alimentación se puede realizar con tensiones de 3 a 15 V. Los pulsos de corriente en el LED alcanzan 1,9 A. El valor máximo se obtiene con 12 V.




