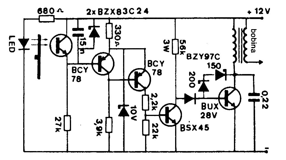
Este circuito fue encontrado en una documentación de los años 80. Los pulsos de control son obtenidos por un sistema óptico con un LED emisor y un foto-transistor. Los componentes usados admiten equivalentes modernos.
Un comparador de tensión de precisión, usando diodo zener como referencia puede ser implementado con un...
Este pequeño radio experimental, muy simple, capta bien las estaciones locales de la banda de...
El oscilador rectangular presentado en la figura hace uso de una de las cuatro puertas NAND de un...