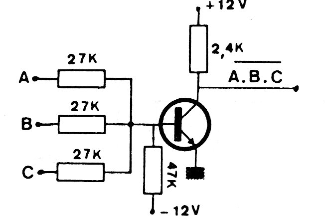
Se muestra en la figura cómo implementar la función lógica No-Y o NAND usando un transistor de uso general. Los resistores de base de 47 k y colector se pueden cambiar a otras tensiones de alimentación.
Un comparador de tensión de precisión, usando diodo zener como referencia puede ser implementado con un...
Este pequeño radio experimental, muy simple, capta bien las estaciones locales de la banda de...
El oscilador rectangular presentado en la figura hace uso de una de las cuatro puertas NAND de un...