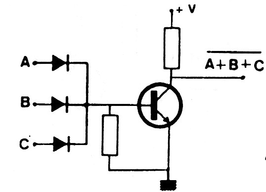
En la figura tenemos el modo simple de implementar la función No-O o NOR con diodos comunes y un transistor de uso general. El resistor de base tiene un valor típico de 44k y el de colector de 2k2.

En la figura tenemos el modo simple de implementar la función No-O o NOR con diodos comunes y un transistor de uso general. El resistor de base tiene un valor típico de 44k y el de colector de 2k2.
