La prueba de los diodos es sencilla: basta polarizarlos en el sentido directo y verificar si hay conducción. Después invertimos el diodo, polarizándolo en el sentido inverso, y no debe haber conducción.
Si el diodo conduce la corriente en los dos sentidos, entonces estará en corto. Si el diodo no conduce la corriente en ningún sentido, estará entonces abierto. En los dos casos no podemos usarlo, pues está malo. Un probador de continuidad sirve para hacer la prueba de polarización en cuestión, y con esto verificar si un diodo está bueno o malo.
Para identificarlo, nos basamos en la propia curva característica de los diodos semiconductores de germanio y silicio (que son los más usados), lo que aparece en la figura 1.

Los diodos de germanio comienzan a conducir la corriente antes que los diodos de silicio.
Mientras que un diodo de germanio conduce la corriente ya con 0,2 V de tensión polarizadora directa, el diodo de silicio precisa por lo menos 0,6 V.
Esto significa que, si polarizamos un diodo de germanio y uno de silicio con una tensión baja directa, el diodo de silicio conducirá la corriente después del de germanio.
Un circuito simple que muestre esta diferencia se puede elaborar para la identificación de diodos.
EI probador/identificador que proponemos es una combinación de los dos circuitos continuidad y verificación del principio de la conducción, y se lo puede construir con pocos componentes, instalándolo en una cajita plástica como la que muestra la figura 2.

Funcionamiento
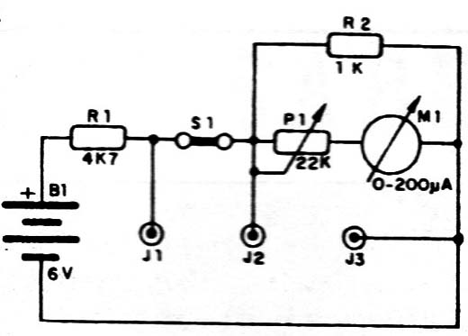
En la función de probador de diodos tenemos un simple indicador de continuidad en que el instrumento indicador es un VUmetro o microamperímetro de hasta 200 µA. Un trimpot en serie permite ajustar ei punto de corriente máxima de este instrumento.
Cuando se conecta la llave S1, pasamos a la función de identificador de diodos. En estas condiciones, formamos un divisor de tensión en que R1 es una rama, y P1, M1 y R2 forman otra rama.
En ausencia de componentes entre J1 y J2 la corriente en el instrumento es la máxima, ya que ajustamos eso en P1 para la prueba de continuidad o polarización de diodos.
Cuando conectamos entre J2 y J3 un diodo polarizado en el sentido directo, si el mismo fuera de germanio, la caída de tensión será menor que si fuera de silicio, y esto podrá verse fácilmente por el movimiento de la aguja. Un diodo de germanio hace que la aguja se mueva menos que uno de silicio.
Podemos tener mayor diferenciación de esta indicación en función de R1 que puede ser aumentado hasta 10 ó 15k. Haga experimentos con diodos diferentes, de naturaleza (tipo) conocido.
Los 1N34, 1N60 y 1N54 son de germanio. Tipos como el 1N914, 1N4148, 1N4001, 1N4004, 1N4007 y BY127 son de silicio.
Montaje
En la figura 3 damos el diagrama completo del aparato.

Como el montaje es muy simple, se puede usar un puente de terminales para la fijación de los componentes menores (figura 4).

Los tres enchufes, donde se fijarán las puntas de prueba o los alambres con pinzas de cocodrilo para la conexión a los diodos a prueba, son colocados en la parte frontal de la caja, así como el instrumento. Con S1 desconectado, y ningún componente en las pinzas (que deben estar separadas), la fuente queda desconectada, de ahí que no es necesario el uso de un interruptor general. EI instrumento, cuando indica cero, no consume corriente.
El VUmetro o microamperímetro es del tipo con hasta 200 µA de corriente de fondo de escala, de bajo costo, y puede comprarse en las casas especializadas. Si su conexión estuviera invertida, usted notará que la aguja tiende a moverse hacia afuera de la escala.
La batería B1 está formada por 4 pilas pequeñas. Use un soporte apropiado.
Para la prueba se pueden usar alambres con pines para enchufar en los conectores J1 a J3 y pinzas para la fijación en los diodos, o bien puntas de prueba.
Los resistores son todos de 1/8 ó 1/4W y el trimpot no es crítico, pudiendo tener valores de 10 k a 47k.
Prueba y uso
Meta las puntas de prueba inicialmente en J1 y J2. Mantenga abierta S1.
Apoyando una punta de prueba en la otra, la aguja del instrumento debe moverse. Ajuste P1 hasta obtener la corriente de fondo de escala.
En estas condiciones el aparato está listo para la prueba de diodos.
Apoyando las puntas en el sentido directo e inverso, como muestra la figura 5, para un diodo bueno debemos tener movimiento de la aguja en un caso y falta de movimiento en el otro.

Si esto ocurre, el diodo está bueno. Si la aguja se mueve en las dos posiciones, el diodo está en corto. Si no hubiera ningún movimiento, el diodo está abierto.
Para identificación, conectar la llave S1, una pinza en J1 (ó J2) y la otra en J3.
Enseguida conecte el ánodo del diodo a prueba en J1 (ó J2) y el cátodo en J3 (figura 6).

Si la inclinación de la aguja fuera más acentuada (hacia el fondo de la escala) el diodo será de silicio. Si el movimiento fuera menor, el diodo es de germanio.
M1 – 200 µA – microamperimetro (VU)
P1 – 22 kΩ – trimpot
R1 – 4,7 kΩ – resistor (amarillo, violet, rojo)
R2 – 1 kΩ – resistor (marrón, negro, rojo)
B1 – 6 V – btería – 4 pilas pequeñas
Varios: Interruptor simples (S1), soporte para 4 pilas, puente de terminales, caja para montaje, enchufes, punta de prueba, alambre, soldadura, etc.



