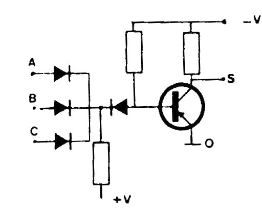
La figura muestra un escudo de función lógica NOR o no-OU usando diodos de uso general y un transistor común. El circuito puede funcionar con 5V el resistor de base tiene 47k y el de colector 22k.

La figura muestra un escudo de función lógica NOR o no-OU usando diodos de uso general y un transistor común. El circuito puede funcionar con 5V el resistor de base tiene 47k y el de colector 22k.
