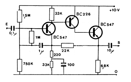
Encontramos este circuito de preamplificador con alta resistencia de entrada, del orden de 30 M ohms en una documentación antigua. Los transistores pueden ser cambiados por equivalentes modernos. La ganancia de tensión es 100 y la resistencia de salida de 150 ohms.




