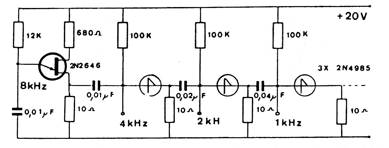
En la figura tenemos un circuito que utiliza componentes poco comunes, siendo indicado para aplicaciones en bajas frecuencias. La señal del circuito es generada por un transistor unijuntura que oscila en 8 kHz.
Un comparador de tensión de precisión, usando diodo zener como referencia puede ser implementado con un...
Este pequeño radio experimental, muy simple, capta bien las estaciones locales de la banda de...
El oscilador rectangular presentado en la figura hace uso de una de las cuatro puertas NAND de un...