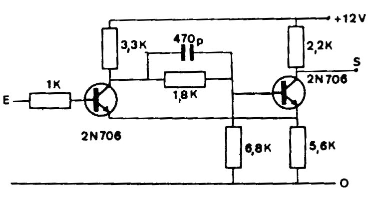
Este disparador de Schmitt fue encontrado en una documentación antigua. Los transistores pueden ser del tipo de uso general como el BC548 o incluso el 2N2222.
Un comparador de tensión de precisión, usando diodo zener como referencia puede ser implementado con un...
Este pequeño radio experimental, muy simple, capta bien las estaciones locales de la banda de...
El oscilador rectangular presentado en la figura hace uso de una de las cuatro puertas NAND de un...