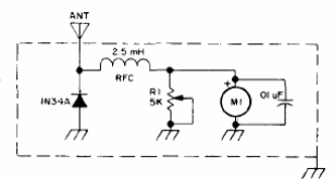
Este circuito, que opera con frecuencia de hasta algunas decenas de megaciclos, es de una publicación de 1976. La antena es telescópica y el potenciómetro de ajuste puede ser de 4k7. El instrumento puede tener fondos de escala de 200 uA o 1 mA.

Este circuito, que opera con frecuencia de hasta algunas decenas de megaciclos, es de una publicación de 1976. La antena es telescópica y el potenciómetro de ajuste puede ser de 4k7. El instrumento puede tener fondos de escala de 200 uA o 1 mA.
