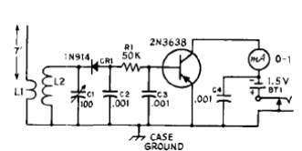
Este circuito es de una antigua publicación de 1973, destinando la medida de señales de la banda de los 40 metros de los radioaficionados. La bobina L1 tiene 5 espiras y L2 30 espiras de hilo 22 en un núcleo de ferrita. El transistor puede ser el BC558 y el diodo de germanio puede ser el 1N34. La bobina se puede modificar para el funcionamiento en otras pistas. La antena es telescópica de 7 pulgadas.




