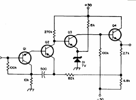
Este circuito es de una publicación americana de 1974. Los transistores son tipos de RF como los 2N2222 para los NPN y los BC558 para los PNP. La alimentación se puede cambiar en función de los transistores usados. La impedancia de entrada es de 32 Megohms.




