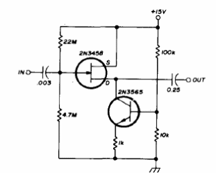
Obtenido en una documentación americana de 1976, este circuito tiene una fuente de corriente constante para polarización y una ganancia de tensión unitaria. La impedancia de entrada es muy alta y la de salida muy baja lo que significa una ganancia de potencia elevada. Se pueden utilizar transistores equivalentes como el BF245 para el FET y BC548 para el bipolar y los capacitores se pueden cambiar a los valores estandarizados actuales.




